Prigioni ed installazioni speciali
100200
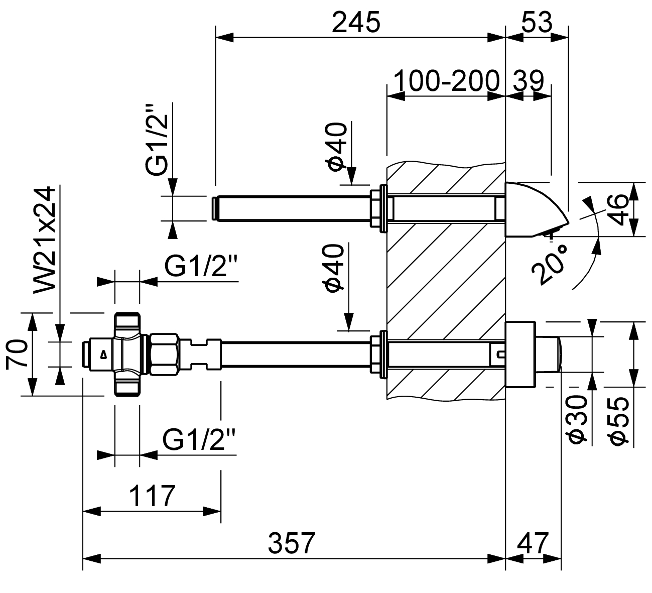
Soffione doccia a getto fisso, comandato da rubinetto monoacqua temporizzato 15-25 secondi a pulsante, installazione dietro parete
art. 100200
– Connessione gambo filettato maschio G 1/2”
Informazioni supplementari
Questo prodotto è garantito per 15 anni dalla data di consegna.
Scarica il materiale tecnico disponibile nella sezione Documenti e guide.
Applicazioni
Massima sicurezza



